usb3.0u盘_详细教您usb3.0/2.0有啥区别
- 分类:win8 发布时间: 2018年03月22日 13:00:05
都说usb3.0的U盘传输速度快,那么怎么判断U盘是不是usb3.0的U盘呢?小编这里给大家介绍一下usb3.0跟usb2.0的U盘的区别,希望对你有所帮助。
U盘的品牌有很多,U盘的比较常见的就是usb3.0跟usb2.0的U盘,那么usb3.0U盘跟usb2.0的U盘有什么区别呢?速度怎么样?
1、从usb接口的外观上看,USB2.0通常是白色或黑色,而USB3.0则是的蓝色接口。
usb2.0电脑图解-1
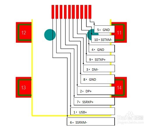
2、从USB插口引脚上来看,USB2.0采用4针脚设计,而USB3.0则采取9针脚设计,相比而言USB3.0功能更强大。
usb2.0电脑图解-2
3、从USB公口的外观上来看,USB3.0接口部分标记有“SS”样式,USB2.0则只标记普通的USB通用标识。
usb3.0电脑图解-3
4、另外在电脑的接口处也有分usb3.0和usb2.0接口,usb3.0的U盘插在usb3.0的接口才能充分发挥其作用。
U盘电脑图解-4
5、usb3.0与usb2.0的传输速度有很大的差距,理论值:USB 3.0的传输速度是4.8Gbps,是USB 2.0的10倍。即4.8Gbps=600MB/S。
usb3.0U盘电脑图解-5
猜您喜欢
- 如何清理电脑内存,详细教您电脑内存怎..2018/01/25
- 惠普电脑重装系统教程2017/01/07
- iphone怎么截图,详细教您iphonex 如何..2018/05/17
- 安全模式,详细教您安全模式要怎么进入..2018/05/26
- windows7 32位系统64位区别2017/01/03
- windows系统内存优化九大方法介绍..2013/04/11
相关推荐
- 系统重装w7 32位操作过程 2016-12-13
- 手把手教你笔记本电脑什么牌子好.. 2018-12-15
- u盘写保护开关关闭方法 2016-12-02
- 联想笔记本W7旗舰版系统安装教程.. 2016-12-04
- 详细教您word文档打不开怎么办.. 2019-04-07
- 技术编辑教您mdf文件用什么打开.. 2019-03-11